BIM建筑网
BIM建筑网更专业的BIM技术学习网站!
首页
学习
BIM教程
专业培训
软件教程
AI问答
资料
BIM模型
BIM族库
技术文档
真题下载
设计施工
免费资料
基础
BIM案例
BIM技巧
BIM百科
BIM文库
BIM问题
二次开发
软件
插件
Revit插件
CAD插件
SU插件
族库插件
转换插件
渲染插件
BIMMAKE
Revit
Navisworks
SketchUp
Lumion
Vray
3dsMax
AutoCAD
Fuzor
Inventor
Tekla
天正软件
注册激活
其他软件
装配式
装配式资讯
装配式技术
装配式规范
装配式案例
视界
建筑鉴赏
BIM视界
SU模型库
规划模型
别墅模型
住宅模型
办公模型
商业建筑
酒店模型
综合体模型
学校模型
医院模型
文化公建
体育馆模型
车站交通
工业园区
古建筑模型
景观模型
小品设计
素材模型
合作:联系我们
建筑展会
关注我们
公众号
微博
Hi, 请登录
我要注册
找回密码
当前位置:
BIM建筑网
装配式建筑
装配式政策规范
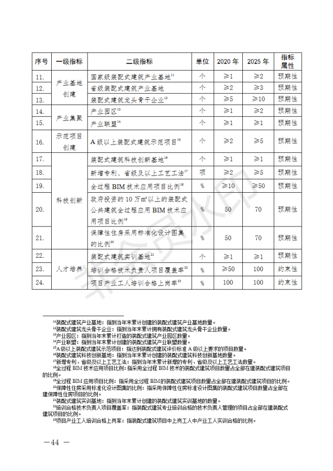
BIM与装配式|荆门市装配式建筑发展规划 (2019-2025)
BIM与装配式|荆门市装配式建筑发展规划 (2019-2025)
2019-06-06
分类:
装配式政策规范
评论(0)
附件下载:荆门市装配式建筑发展规划.docx
微信公众号:xuebim
关注建筑行业BIM发展、研究建筑新技术,汇集建筑前沿信息!
← 微信扫一扫,关注我们+
赞(
0
)
打赏
BIM建筑网
»
BIM与装配式|荆门市装配式建筑发展规划 (2019-2025)
装配式政策
装配式结构
装配式规范
BIM建筑网
关注建筑行业BIM发展,汇集BIM前沿资讯、BIM使用技巧、BIM实战能力,更专业的BIM技术学习网站!
上一篇
BIM与装配式|观点 | 魏素巍:装配式内装是一种高品质内装
下一篇
BIM与装配式|新《绿色建筑评价标准》即将出台,世界将迎来“新绿”
相关推荐
装配式政策|关于印发《上海市促进建筑业高质量发展 加快培育增长新动能行动方案》的通知
装配式政策|吉林省住房和城乡建设厅 关于发布吉林省工程建设标准设计《蒸压加气混凝土板墙体构造》的通告
装配式政策|浙江省住建厅:关于公开征求《关于推进工程造价咨询行业提质增效的若干意见》意见的公告
装配式政策|济南市住房和城乡建设局印发《关于规范工程造价咨询行业管理的若干措施》的通知
吐血推荐
点这里,BIM轻松学
加入VIP,本站所有课程免费学习,所以资料免费下载,快来看看...
热门文章
装配式政策|关于印发《上海市促进建筑业高质量发展 加快培育增长新动能行动方案》的通知
2025-10-24
装配式政策|吉林省住房和城乡建设厅 关于发布吉林省工程建设标准设计《蒸压加气混凝土板墙体构造》的通告
2025-10-23
装配式政策|浙江省住建厅:关于公开征求《关于推进工程造价咨询行业提质增效的若干意见》意见的公告
2025-10-23
装配式政策|济南市住房和城乡建设局印发《关于规范工程造价咨询行业管理的若干措施》的通知
2025-10-23
装配式政策|成都市住房和城乡建设局关于印发《成都市智能建造水平评价管理办法(2025版)》的通知
2025-10-23
装配式政策|成都市住房和城乡建设局关于征集成都市第二批智能建造企业及第四批智能建造项目的通知
2025-10-23
装配式政策|昆明发布好房子技术指南,解决八大质量“痛点”问题
2025-10-23
装配式政策|《广东省城镇住宅品质提升设计图册(2025)》发布,以高标准设计助力“好房子”建设
2025-10-23
热门标签
装配式政策
政策规范
BIM软件
BIM知道
BIM问答
装配式企业
装配式行业
SU商业模型
SU综合体模型
中国
bim
SU住宅模型
SU别墅模型
独立住宅
Revit
Sketchup素材模型
SU素材模型
SU景观模型
装配式规范
BIM问题
混凝土
2022年
SU办公楼模型
改造
Revit技巧
2021年
Sketchup度假区模型
SU酒店模型
木材
SU学校模型
BIM学习
BIM技巧
Revit问题
2023年
BIM族库
Revit族库
族
装配式建筑
装配式住宅
装配式研发
SU图书馆模型
Sketchup文化馆模型
SU文化建筑模型
预制装配式
装配式房屋
BIM培训
BIM常见问题
文化建筑
装配式结构
BIM技术
美国
BIM建筑
住宅
博物馆
浙江
庭院
2017年
上海
住宅室内
居住建筑
BIM建筑网,更专业的BIM技术学习网站!
关注建筑新动态,分享建筑新技术
联系我们
关于BIM建筑网
觉得文章有用就打赏一下小编吧
非常感谢你的打赏,我们将继续提供更多优质内容,让我们一起创建更加美好的网络世界!
支付宝扫一扫打赏
微信扫一扫打赏
切换注册
扫码登录
微信「关注」,快捷登录
扫码关注后会自动登录
注册登录代表您已同意
《用户许可协议》
账号登录 | 其他登录
扫码登录
|
切换注册
登录
用户名或邮箱
找回密码
密码
记住我
扫码登录
|
账号登录
注册
昵称
邮箱