2018-9-30更新记录:
最新版本号为V1.2.2843。支持Revit2016,Revit2017,2018
详细更新内容请点击这里查看!
http://www.tuituisoft.com/bim/1/664.html
2018-10-11更新记录:
最新版本号为V1.2.2949。支持Revit2016,Revit2017,Revit2018三个平台。
1.新增功能及优化:
1.新增各构件BOM表说明文字在导出Excel后,在打印时页脚会有说明文字
具体更新内容请查看这里:
http://www.tuituisoft.com/bim/1/743.html
BeePC软件定位
BeePC软件是目前国内首款基于Revit平台研发的装配式智能深化BIM软件,是一款内置规范与图集,可以边建模边教你做装配式深化设计的BIM软件。
主要功能
软件具备可视化操作、傻瓜式建模、智能编号、一键出图、一键生成构件明细表(含钢筋形状和尺寸)和一键生成工厂BOM表等功能,当然还会持续增加各种人性化和效率功能,帮助用户便捷、规范地学习装配式、BIM+PC建模及出图出量。
试用说明
1、产品目前支持Revit2016~2019版本;
2、产品目前发布预制板、预制梁、预制楼梯、预制柱、预制剪力内墙、预制三明治剪力外墙构件;
3、目前账号为:1台电脑绑定一个账号;
4、下载后,用户可通过手机号注册账号进行15天的免费试用(需要保证电脑联网)。试用账号若超过15天试用期,可以完善个人信息再增加15天的试用期。或在论坛等网站发表论文,也可增加试用期,具体联系嗡嗡科技工作人员。
主要功能模块
一、叠合板
①拾取CAD底图线、Revit系统板,自动创建叠合板
②智能拆分、批量生成叠合板
③批量切角,钢筋自动剪切。
④支持洞口及加强筋设置,桁架灵活设置
⑤多种编号方式,满足各方需求
二、叠合梁
钢筋灵活设置
①精准定位任意钢筋、支持空间避让。
②支持多种键槽形式,满足项目要求。
③支持主次梁交接设置
④支持预埋线管,预埋管道洞口定位布置。
⑤吊钉、吊环、预埋螺母轻松统计。
三、预制楼梯
①内置参变族,模型、配筋一次搞定。
②支持挑耳、吊件、防滑槽、滴水线灵活设置。
③支持构件、配筋的颜色和材质设置。
④顶面、侧面埋件灵活切换布置。
⑤埋件参数开放,灵活设置。
四、预制墙
①四种内墙形式,界面联动切换,一族搞定。
②钢筋逻辑串联,批量修改,提升建模效率。
③支持线盒、洞口、内埋螺母,对穿孔设置。
④点位变更、软件重新归类、一键快速编号。
⑤支持多种编号样式及编号顺序,灵活选择。
五、三明治外墙模块
①多个画布界面切换,参数灵活调整
②连梁处直筋、1:6弯折自由设置
③水平筋左右分开控制出筋,满足设计要求
④支持保温拉结件、轻质填充材料等灵活设置
⑤支持外叶板开洞、洞口加固筋设置
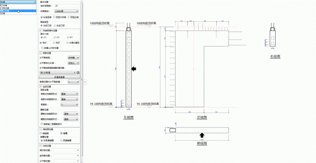
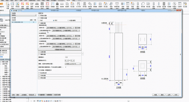
六、预制柱
①灌浆套筒灵活选型,参数修改,模型联动。
②柱预埋件灵活选型,参数修改,模型联动。
③线盒、内埋螺母多面切换,精准定位。
④出、灌浆口智能布置,同时支持单根手动调整。
⑤预埋件依据荷载选型,及时反馈及时调整。
七、阳台板
①三种阳台类型,左右封边随意切换
②各类钢筋,弯钩形式任意调整
③支持栏杆埋件、洞口、线盒布置
④支持各类附加钢筋布置
⑤各类埋件支持参数调整
八、BeePC设计系列功能
支持国标GB/T 51129-2017,陆续支持浙江省、湖南省、重庆市、安徽省、上海、江苏、宁波等地的装配率计算。配合“过滤选择”,可以较为方便的对构件批量归类。当选中已归类构件,可显示其在装配率计算中需要用到的参数信息,也可以特殊调整参数结果。

BIM建筑网











