在图学会第十三期中出现了绘制纪念碑的题目,本期为大家讲解如何用revit绘制纪念碑。
步骤讲解
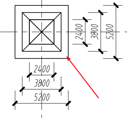
第一步,依题目要求以构建集方式创建模型,我们用“公制常规模型”方式创建,在“参照标高”绘制出本题的台座部分。
1.用“拉伸”命令绘制出中间方形台座部分
2.用“拉伸”命令绘制出中间四周的台阶部分
3.可绘制出一侧的台阶,其余部分可用“镜像”+“旋转复制"命令绘制
第二步,用“拉伸”命令绘制出这题的方形墩座部分
第三步,用“放样”命令绘制本题碑身部分
成果展示
微信公众号:xuebim
关注建筑行业BIM发展、研究建筑新技术,汇集建筑前沿信息!
← 微信扫一扫,关注我们+

BIM建筑网











