做好「土壤」,让「乡村振兴」发声
路易斯·康曾言,「学校起源于一个人在一棵树下对几个人讲述他的领悟,老师不晓得他是老师,那些听他说话的人也不认为自己是学生。这些学生希望他们的儿女,也能听听像他这样的人讲话,于是空间开始兴建,第一所学校于焉而生。」在田岗知行村,一座归属于乡村的「田园大讲堂」正承载着「学校」最原始的含义——它是建造者的宣言,也是自省;它允许「教者」与「被教者」的角色对倒;它理应如「树下空间」般,是一个简单、开放的庇荫所,也能创造出自由和社区的感受。
01 做好「土壤」
「做好土壤」,这是袈蓝一以贯之的法则,也是其营建田岗·知行村的总纲。「田园大讲堂」临河而建,位于居民生活区和村子的「门户」之间,建筑师将其设定为「讲堂」,希望能借此建立外界与村民的连接,并输出袈蓝在乡村振兴领域经过实践验证的价值观与方法论,让村民看到、感知到新设计与新产业能够带来的新未来,展望乡村自治的可能性。
△形体分析图
建筑师以建筑的造型作为隐喻的载体:在田园之上掀起一块草皮,如地毯般卷曲形成建筑,被掀起处暴露出绿植之下的土壤,揭示出「身处田园」的本质。「卷」暴露于外部的一侧以木瓦为主要材料,配合倾斜的屋面,避免风雨的侵蚀;屋顶内侧则覆以木材,并延续至卷曲墙面的内侧及地面,在材料的贴近性中将新形态关联至「旧记忆」,让建筑整体融入村落的自然、朴拙,如从「土壤」中自然生成。
景观的处理沿用了建筑的造型手法。建筑的背向,木地面贴着场地的边缘,围合出「田园大讲堂」的边界。在「掀起草皮」的过程中,建筑师有意留存了一个圆洞,将一颗树留存。而「被掀起」的屋顶的同样位置,亦有一处圆洞,与其投影面的圆相对,让另一棵树穿透建筑。两棵树的存在一方面将自然的气息融汇于建筑(两棵树、地面和屋顶的一对圆洞共同向访者提示着建筑屋顶是从地面掀起这一理念),另一方面则作为「学校」原型的化身物,暗示人们遥想「讲堂」空间起始时刻的美好。
「田园大讲堂」朝向路面的一侧,袈蓝建筑开启了木与草的「拼图游戏」。木地板与车行道的连通性时时被打断,或折叠为楼梯,或掀起而成座椅、路牌,又或者为树与景观小品留白……旺盛生长的草木蔓过木地板和背侧「被暴露的土壤」,似乎在召唤着田岗·知行村焕发新生。
02 悬浮的盒子
在「掀起」的动作完成之后,整栋建筑一体成形。除弧墙之外,袈蓝建筑以大面积落地玻璃作为其余所有墙面的主材,又在北向和东向入口处以耐候钢门斗突出入口存在。
行至室内,袈蓝建筑贴着弧面做了一排条凳,让畸零空间重新具备功能价值。大面积的开放空间允许多样化的会议场景发生,两组吧台的设定则能在大型会议时分散人群,保证茶歇的稳定供应。事实上,整个「田园大讲堂」的建筑体成呈现为透明的玻璃盒子,建筑师在盒中造盒,将卫生间、监控室、设备间等必要配套功能组合于木质的「内盒子」中,又在高度上与建筑的总体高度「保持距离」。如此,一方面能够避免卫生间隔间等小面积空间层高过高带来的不适,也让内盒子与外盒子形成一种悬浮感,轻盈地落于「土壤」之上。
在结构柱与屋顶的交接处,袈蓝建筑巧妙围绕柱身于顶部开设凹槽,并将灯带埋入。当灯光开启,柱头与屋顶间泛起光晕,似乎彼此脱离,这种视觉效果于细节处强调了建筑整体的「悬浮感」,让游览「田园大讲堂」之旅惊喜迭出。室内的主体照明采用条状的灯带,它埋入屋顶与弧墙内侧,于室内呼应户外景观的「拼图游戏」。
03 让「乡村振兴」发声
在城市化的飞速进程之中,人们总是长于依赖「法」而迷失「道」。如今,越来越走向建筑学的乡村则提供了一片淳朴、自然、自足,无需过多规训的纯粹之境。「田园大讲堂」以「揭示本质」作为创作的源起,用弧面和玻璃让「墙」这一隐喻牵制的建筑学元件被柔化甚至消失,让身处其间的人们沉浸于自然的暗示下,自主、自发地开始行动——像是最初聚集于树下而「学校」兴起,袈蓝建筑期待「田园大讲堂」及其中所举办的活动能埋下田岗·知行村「乡村振兴」的火种,星火燎原。
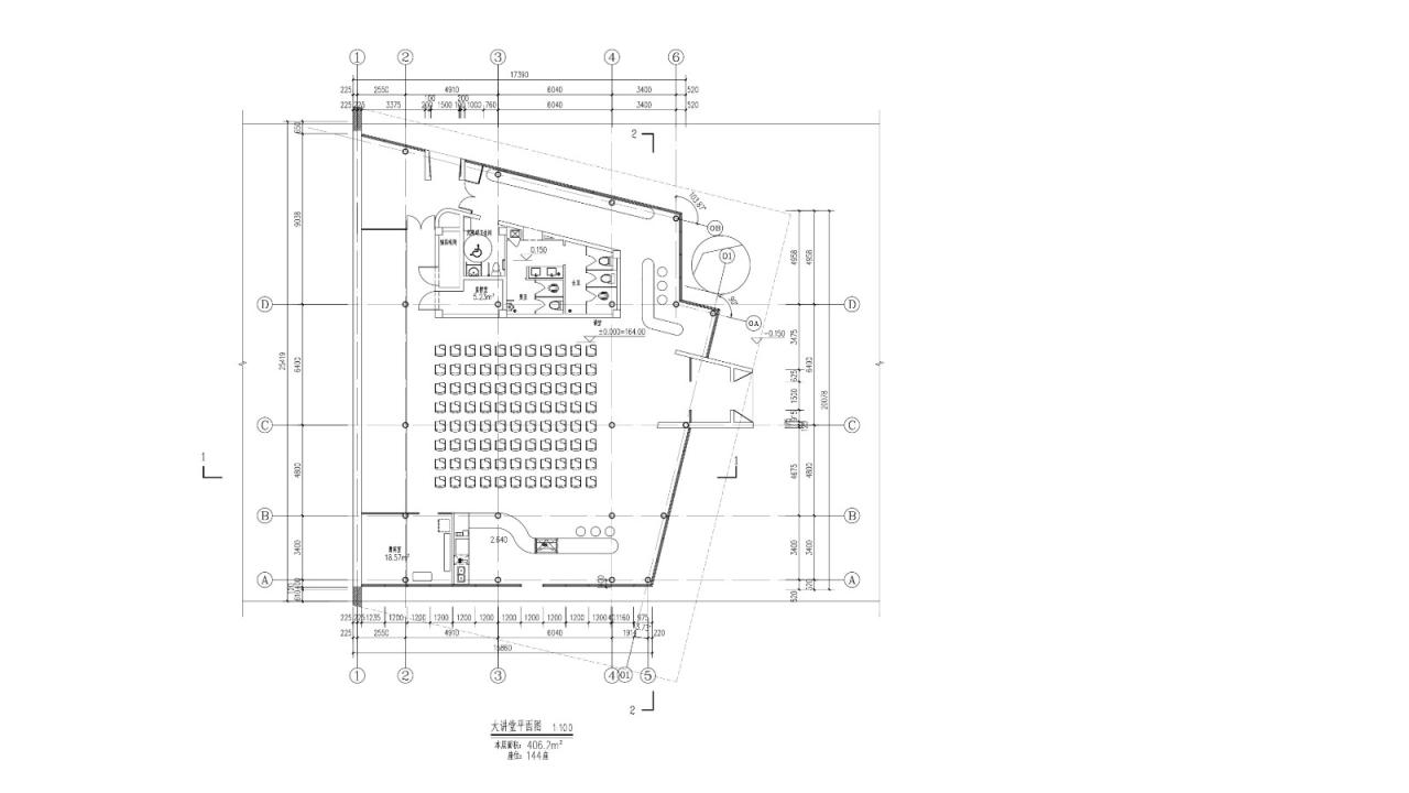
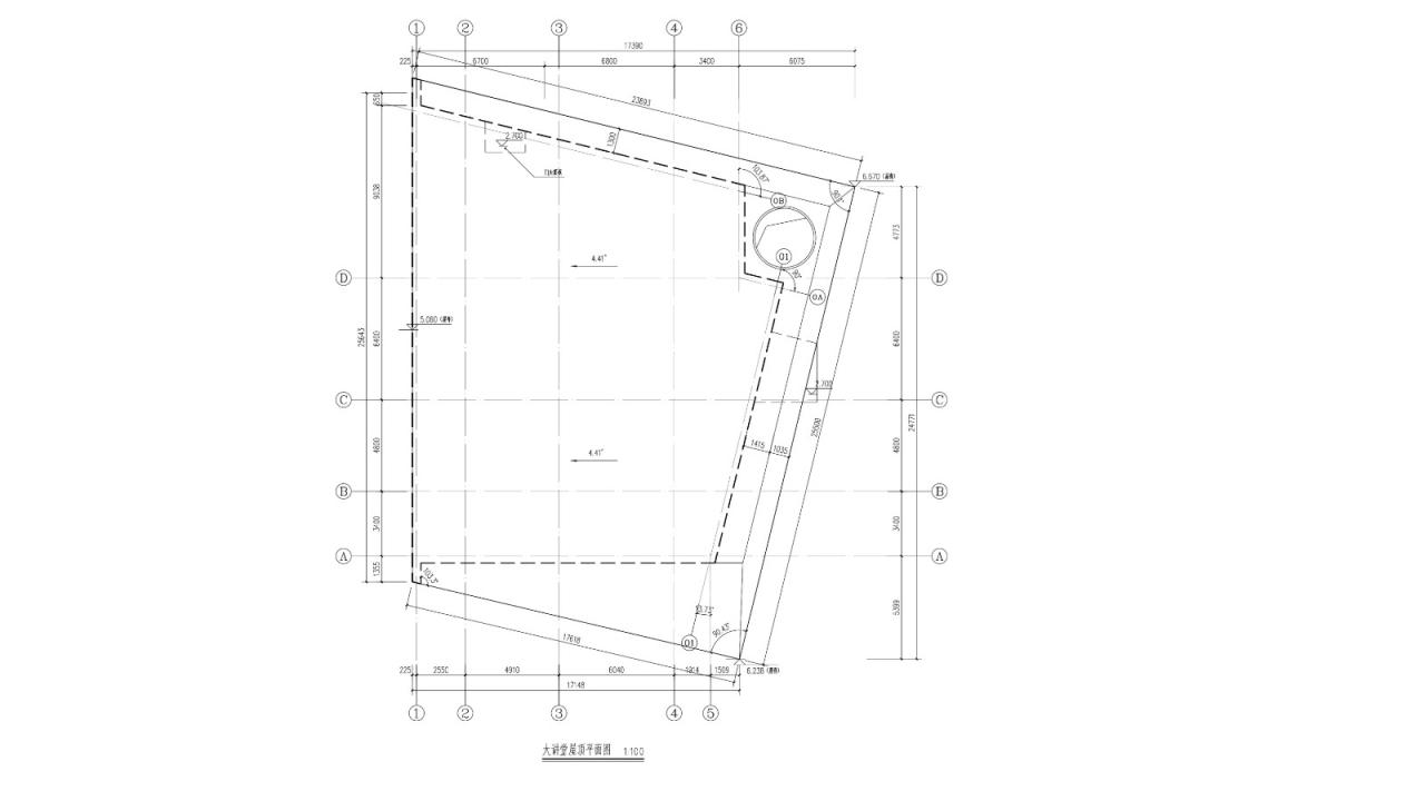
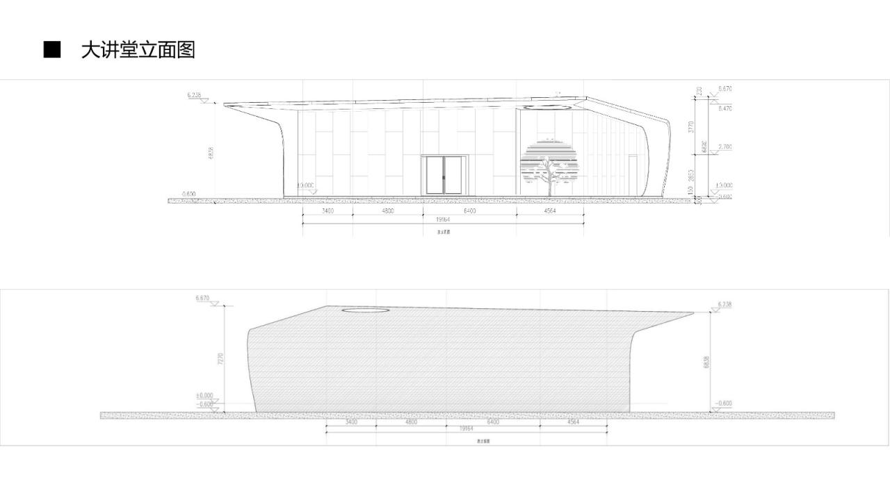
项目图纸
△平面图
△屋顶平面图
△立面图
△立面图
△立面图
△剖面图
△剖面图
△木瓦排列方式
项目信息
项目名称:田园大讲堂
项目地点:河北省保定市易县田岗村
项目类型:建筑设计,室内设计
项目状态:已建成
业主:圆歌集团
设计团队
主持建筑师:邹迎晞
建筑设计团队:蒋志华、韩阳、田亚红、南文静
室内设计团队:夏福强、何敏、曹真真、钱国兴、刘婷婷、李倩茜、 冯炎、郭萌佳、李辉
软装设计团队:束坤、谷悦诚
景观设计团队:李贝贝,张俊超,刘爽,梁景琪,石青青
设计周期:2020年2月-5月
施工周期:2020年5月10月
场地面积:800平方米
建筑面积:406.2平方米
施工单位:中外建华诚工程技术集团有限公司-陈支努团队
结构工程师:北京中和建城建筑工程设计有限公司-卢理杰团队
摄影师:直译建筑摄影
建材及厂家
1.上海竑森木业 红雪松木瓦
2.上海竑森木业 菠萝格防腐木
3. 耐候钢板

BIM建筑网




























