关于开展建筑节能和绿色建筑数字化审查工作的通知
各市、州、直管市、神农架林区住(城)建局,各有关单位:
为提升全省房屋建筑和市政基础设施工程数字化服务水平,加强建筑节能项目事中和事后监管力度,省“施工图数字化联合审查系统”(以下简称“审查系统”)进行了升级调整,在施工图审查流程中增加节能与绿色建筑数字化审查功能,为我省建筑节能工作信息数据采集和深度应用奠定基础。
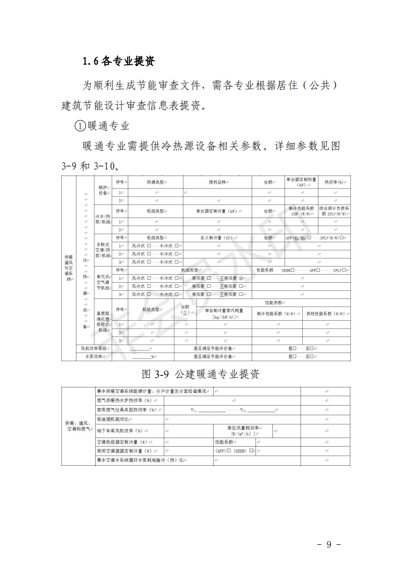
节能与绿色建筑数字化审查功能于2023年4月1日上线试运行。凡经“审查系统”审查的民用房屋建筑工程项目,项目建设单位和勘察设计企业,应在“审查系统”上同时报送节能和绿色建筑相关文件资料,主要包括:建筑、结构、暖通、电气和给排水各相关专业的节能设计说明(专篇)、节能设计图纸、节能计算书、设备表、居建(公建)节能设计审查信息表、绿色建筑设计说明(专篇)、绿色建筑计算书等,具体操作方式见附件。
附件:节能与绿色建筑数字化审查操作指南(试行)
湖北省住房和城乡建设厅
2023年3月17日
(此件公开发布)
微信公众号:xuebim
关注建筑行业BIM发展、研究建筑新技术,汇集建筑前沿信息!
← 微信扫一扫,关注我们+

BIM建筑网











