
乐建
沿用二维的设计习惯,本地化的BIM建筑设计平台,借助软件内嵌的现行规范、图集,紧紧围绕设计院的工作流程,提高设计效率,解决模图一体化难题。

给排水
结合设计师的实际功能需求,总结多年给排水软件开发经验,从管线设计到管线连接、调整再到水力计算,从消火栓智慧化布置、快速连接再到保护范围检查,从自喷系统的批量布置到自动连接再到四喷头校验的一站式解决方案。

暖通设计
在BIM正向设计上为暖通工程师解决实际问题。包含了风系统、水系统、采暖系统及地暖四大模块。

电气设计
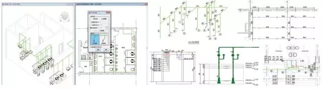
从BIM正向设计角度为电气工程师提供解决BIM电气设计全流程方案。从电气专业强弱电设计内容入手,提高设计效率的同时满足建筑电气设计所有需求。

机电深化
体系化的软件构架,如管线综合调整体系、支吊架布置体系、协同工作体系、模型调整后的校核计算体系,显著提高机电深化的效率和质量。

装饰
智能布置各种房间的吊顶和龙骨、房间铺砖、碎砖自动排版,提升工作效率和质量。

微信公众号:xuebim
关注建筑行业BIM发展、研究建筑新技术,汇集建筑前沿信息!
← 微信扫一扫,关注我们+

BIM建筑网