传统式装修 vs 装配式装修
集成地面系统
架空构造——架空地面高度10cm,与常规地面高度相同。架空层下可以铺设管线。
模块化快装地暖——埋地暖气管线固定在规划好的地槽中,地面架空层在暖气管线上采用过桥板工艺,实现干法施工的暖地面。
干式工法——取消垫层,无抹灰。
面层材料——面层材料可自由选择采用地毯、木地板、PVC地面等。
现场快装——地板可以快速拼装,方便拆卸,利于维修。
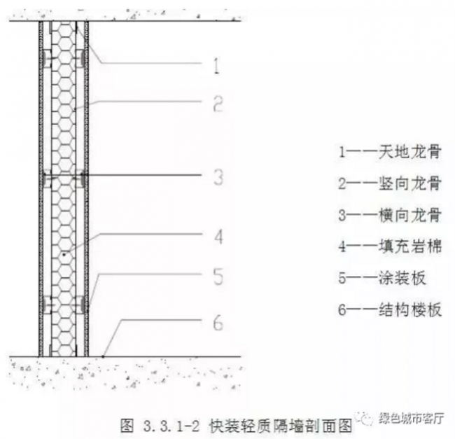
集成墙面系统
墙面采用轻钢龙骨,管线走在地面架空层、吊顶和轻质隔墙内,可以方便电气管线的更换、增加和维修。
墙体只起到分割空间作用,不起承重作用,具有一定的隔声、保温、防火功能。
集成墙面板快速安装,省去现场墙体表面贴壁纸或刷涂料的工序,既省工省时又安全环保。
集成吊顶系统
集成卫浴系统
集成厨房系统
分集水器、整体厨卫、负压新风。
吊顶内设排烟管道,油烟分离机,烟气直排、检修维护、整体收纳凳技术。
墙面预设柜体安装挂件,胶衣台面。
户内管线系统
管线系统设置在水平层的架空地板层内,不受室内墙体、家具等的影响
户装配式住宅内管线系统设置在架空地板层中,装配式研发当进行维修与更新时,减少了对住宅结构体的破坏
有利于建筑的保护;减少了裸露在室内的管线,增加了室内的美观。
集成设计,现场组装。管线接口为标准快接技术
全面推动装配式建筑和新建住宅全装修,是国家推进建筑建材业转型升级、健康发展所采取的战略举措。
微信公众号:xuebim
关注建筑行业BIM发展、研究建筑新技术,汇集建筑前沿信息!
← 微信扫一扫,关注我们+

BIM建筑网











